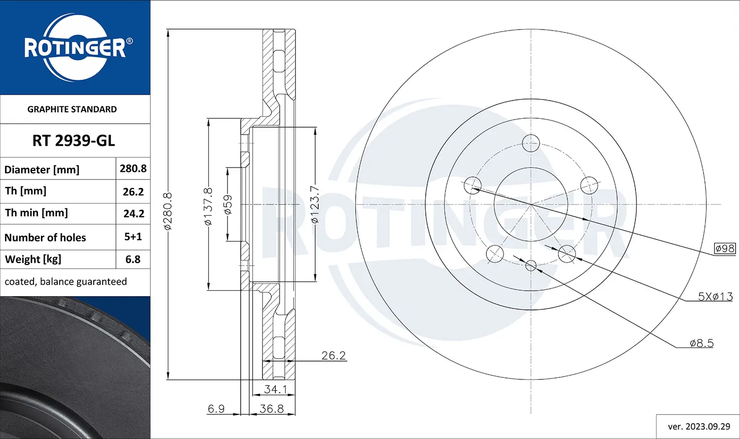
Tömör féktárcsák
Az alap féktárcsák, amelyek alapvető fékezési teljesítményt nyújtanak. Ez a féktárcsa típus viszonylag kis méretű, alacsony lökettérfogatú és teljesítményű motorral szerelt autókban, valamint nagyon gyakran a jármű hátsó tengelyén kerül alkalmazásra. Minden Rotinger féktárcsa szigorú szabványok szerint készül, kiváló minőségű öntvényekből, melyek keménysége 187-240 HB között mozog.
Specifikációk
| 2 | |
| 4 |
Tuning 1 – GRAPHITE REGULAR SLOTTED
azok számára készült, akik értékelik a kiváló minőségű fékeket és a biztonságot. A tárcsákon található vágások úgy lettek kialakítva, hogy hatékony tisztítást biztosítsanak a működés során keletkező külső rétegektől (szennyeződések, „üveges réteg”). Ennek köszönhetően a fékrendszer rendkívül hatékony marad még extrém körülmények között is, amit különösen nagyra értékelnek a rallyversenyek résztvevői. Emellett a vágások lehetővé teszik a tárcsák kopásának egyszerű felmérését.
Specifikációk
| 2 | |
| 4 |
Tuning 2 – GRAPHITE V SLOTTED
a leghatékonyabb fékezést biztosítja a legextrémebb körülmények között is. Hó, sár, por és víz – ezekhez a kihívásokhoz lettek tervezve a féktárcsán található dupla vágások, miközben megőrzik a tárcsa szerkezeti paramétereit. Az extra vágások lehetővé teszik a fékbetétek gyorsabb tisztítását a fékezés során keletkező gázoktól, ezáltal garantálva a magas hatékonyságot.
Specifikációk
| 2 | |
| 4 |
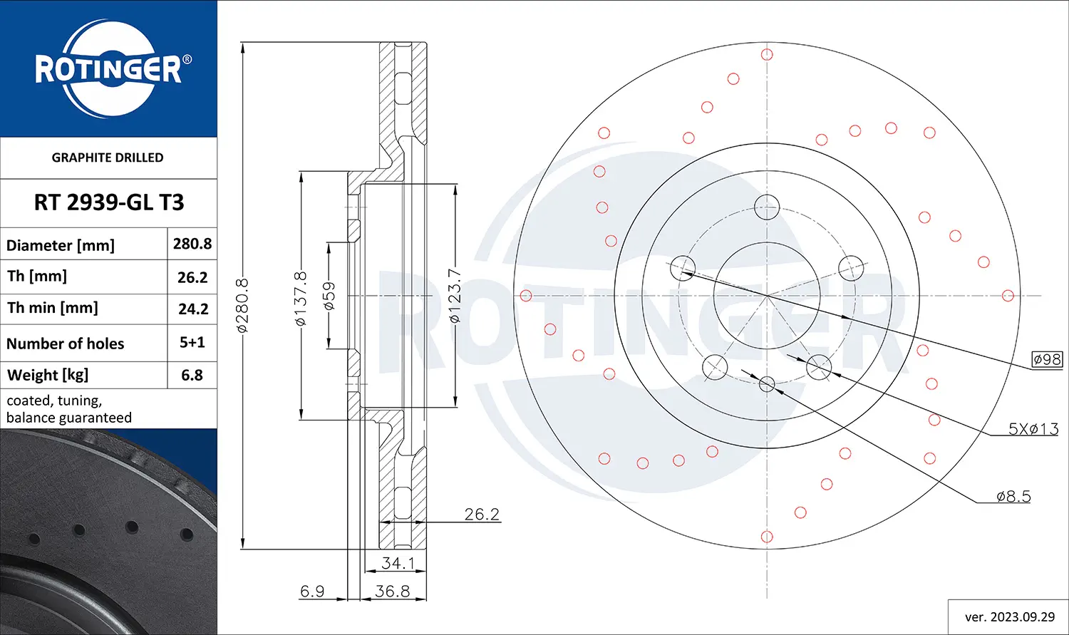
Tuning 3 – GRAPHITE DRILLED
egy olyan féktárcsasorozat, amely a speciálisan kialakított, letört szélű furatoknak köszönhetően csökkenti a fékbetétek által keltett zajokat (nyikorgásokat), mivel gyorsabban elvezeti a fölösleges gázokat és szellőzteti a tárcsa felületét. A tárcsák túlmelegedésének minimalizálása volt a tervezés elsődleges célja. A szellőzőnyílások elrendezése és pozíciója minden féktárcsánál egyedi, méretének és belső szerkezetének megfelelően változik. Ez a széria azok számára készült, akik szeretnék elfelejteni a fékezés közbeni vibrációkat és zajokat.
Specifikációk
| 2 | |
| 4 |
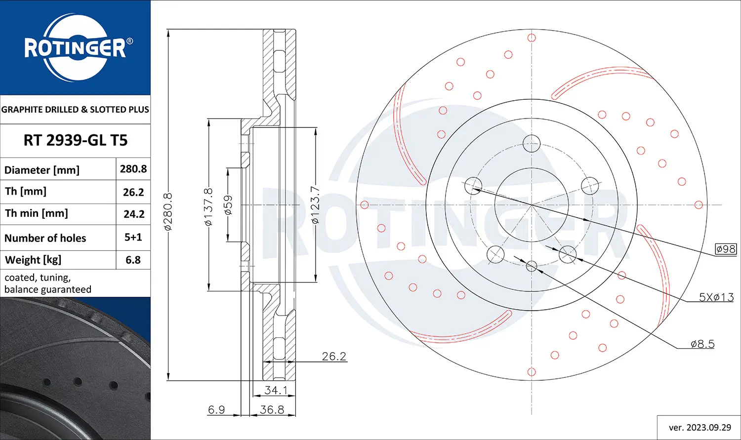
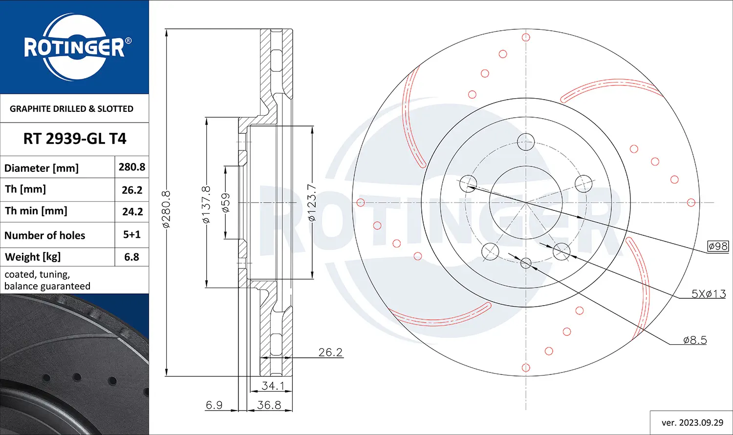
Tuning 4 – GRAPHITE DRILLED & SLOTTED
A GRAPHITE DRILLED & SLOTTED lehetővé teszi az autó aktívabb használatát anélkül, hogy a fékrendszer alkatrészeit módosítani kellene. A fúrási és vágási technológiák kombinációja az intenzív mérnöki munka innovatív eredménye, amely a fékek hosszú élettartamát célozza meg. Ez a megoldás egyre népszerűbb mind a hétköznapi autósok, mind a motorsportban részt vevők körében.
Specifikációk
| 2 | |
| 4 |
Tuning 5 – GRAPHITE DRILLED & SLOTTED PLUS
a legigényesebb felhasználók számára készült. Napjainkban szinte alig találni 80 lóerő alatti autót, ezért a fékekkel szembeni elvárások is egyre magasabbak. A dinamikus gyorsulást hatékony fékezésnek kell kiegészítenie, amelyet a féktárcsák fúrási és vágási technológiáinak legújabb innovációi támogatnak. Az elképesztő fékezési hatás mellett további előnye a tárcsák egyedi és vonzó megjelenése.
Specifikációk
| 2 | |
| 4 |
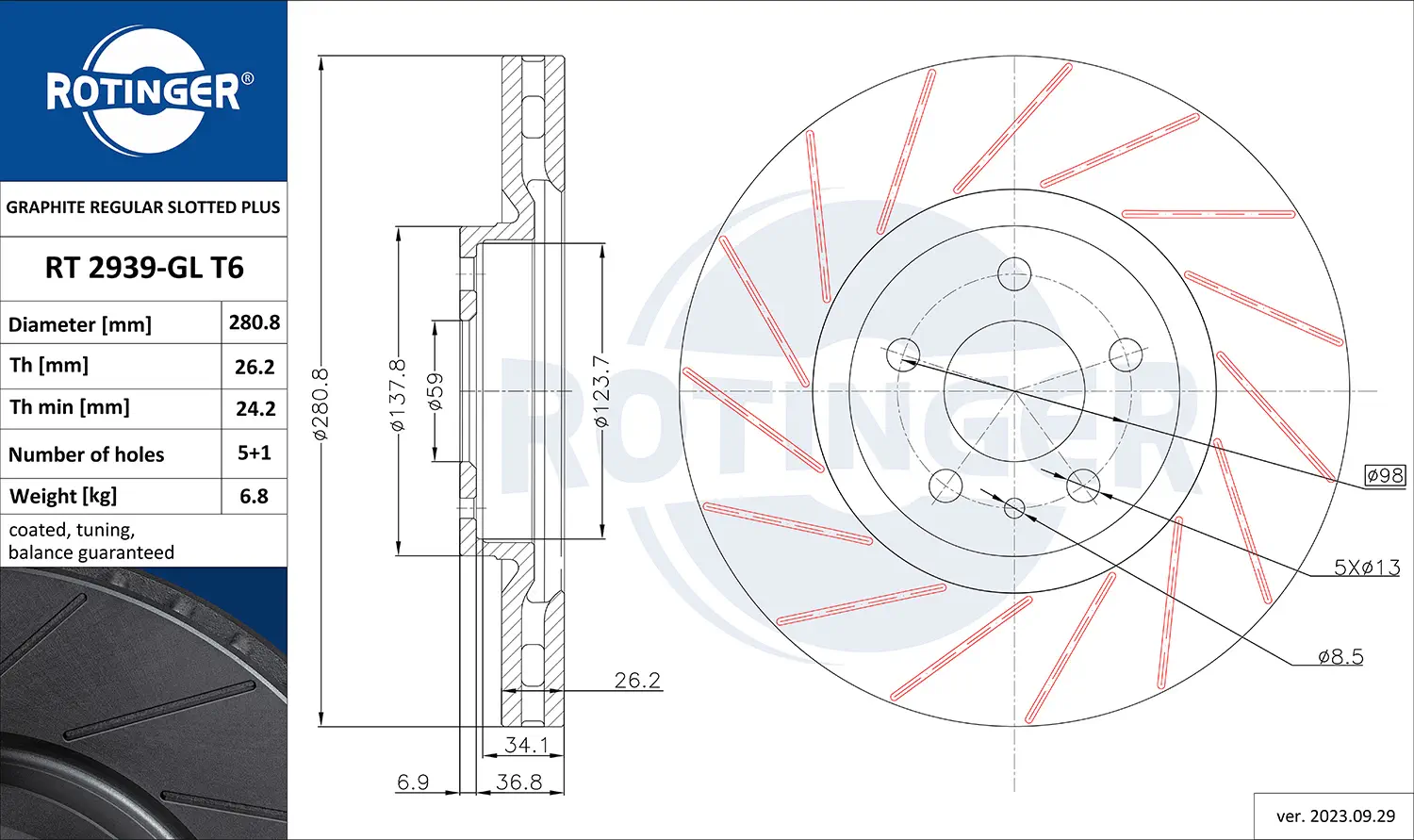
Tuning 6 – GRAPHITE REGULAR SLOTTED PLUS
azoknak a felhasználóknak ajánlott, akik az első kilométerektől kezdve, még alacsony sebességnél is hatékony fékezést várnak el. Az alkalmazott további vágások lehetővé teszik a féktárcsa kopásának pontos nyomon követését, valamint gyorsabban tisztítják a fékbetéteket a fékezés során keletkező gázoktól, ezáltal garantálva a magas teljesítményt.
Specifikációk
| 2 | |
| 4 |
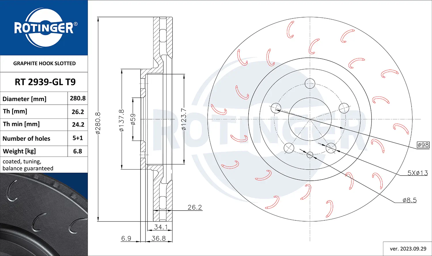
Tuning 9 – GRAPHITE HOOK SLOTTED
a legújabb kialakítás, amelyet kiemelkedő kezdeti teljesítményre terveztek. Kétségtelen előnye a megnövelt tartósság és hosszabb élettartam. Az egyenetlen és meghosszabbított vezetőéleknek köszönhetően jelentősen növeli a fékezési hatékonyságot, még alacsony sebességnél is. Emellett a „kampó” alakú bemetszések egyedi és innovatív formája egyesíti az összes rovátkolt féktárcsa előnyét: tisztítja a fékbetét felületét, és kiküszöböli a „fading” hatást (a fékhatás csökkenését).
Specifikációk
| 2 | |
| 4 |